硬质合金钨钢镶块定制产品
一.硬质合金预制成型产品介绍
硬质合金预制成形产品是一种半烧结半加工的工艺。
我们的预制成型工艺可对未烧结生坯进行车,铣,钻,切,玫牙等各类加工,目的是使产品无限度接近成品形状,这样可大幅提高客户非标,复杂刀具的生产效率。
二.硬质合金预制成型产品应用领域
广泛应用于拉伸,拉拔,冲压,冷墩,整形模具,成形模具,不锈钢餐具、器皿、五金配件,硬质合金阀板 阀座,阀门等
三.硬质合金预制成型产品牌号表
四.硬质合金预制成型产品定制须知
1. 各种类型的毛胚半成品均可生产;
2. 欢迎您来图来样定制,根据您的图纸和样品进行加工;
3.根据您工况推荐不同用途的牌号并设计加工方案,用我们的专业为您解决实际困难
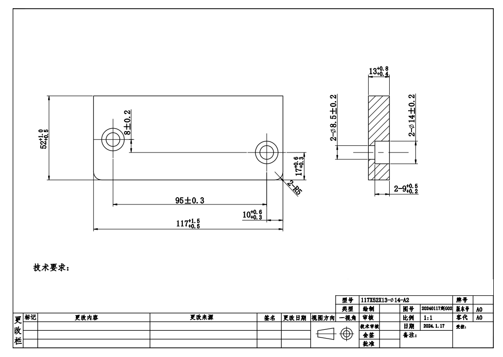
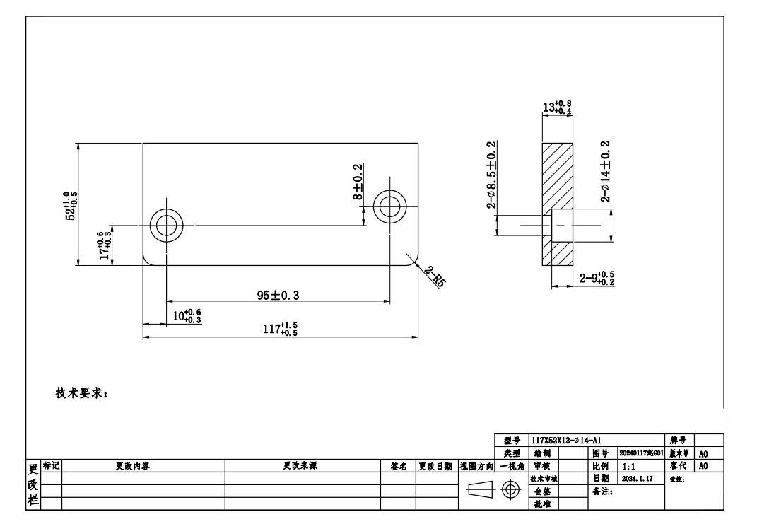
五.参考图纸


六.实拍图展示


