一.无磁钨钢凹模柱塞的介绍
由于生产磁性材料的成型模具要求采用无磁性的材料,以往一直用无磁钢,其模具性能较差,硬度低,使用寿命短,而且使用一段时间过后模具内壁严重拉毛、变形等,进而影响磁性材料的尺寸精度和表面质量。而今采用高耐磨、耐酸耐碱、耐高温的无磁硬质合金,以其优异的性能代替无磁钢可以成倍的提高工作效率,降低生产成本,是生产磁性材料厂家的不二之选。
加工工艺:揉捏珩磨,又称磨料流动加工,这种工艺办法是利用一种半固体状的研磨磨料,在揉捏珩磨机的效果下,使磨料在被加工零件外表进行往复运动,对零件的各种型腔及穿插孔径及边棱进行研磨抛光、倒园角去毛刺的一种新型工艺。
二.无磁钨钢凹模柱塞的应用领域
1.适合金属磁性材料(电感线圈、变压器、继电器铁心)、硅钢片的冲裁。
2.适合顺磁性物质、抗磁物质、铁磁性物质、亚磁性物质和反磁性物质这五类磁性粉末材料的成型冲压。
3.应用于电池模燃烧咀、钨钼夹持器玻璃切刀,以及冲制电池壳、牙膏皮的模具
4.各种金属及非金属粉末的模压及冲压,压缩率大的钢棒、钢管拉伸,较大应力下工作的额顶锻、穿孔及冲压模具,机器配件、模芯、制作冲压模具,如冲压手表零件、乐器弹簧片等
5.弹头和弹壳的冲压模具
三.无磁钨钢凹模柱塞牌号介绍

四.无磁钨钢凹模柱塞定制说明
1. 来图来样定制,根据您的样品或图纸进行生产加工;
2. 根据您的工况为您提供牌号并提供设计方案,用专业解决客户的实际需求
3. 无磁钨钢经1300~1450℃高温高压真空烧结制成,具有良好的抗弯强度和高硬度,用无磁钨钢制成的冲压成型模具是无磁钢冲压成型模具使用寿命的的几十倍。
4. 无磁钨钢冲压成型模具在压制过程中不会产生模壁拉毛现象,也没有无磁钢模具的模腔变形现象,无沾粉现象,能更好地保障磁性材料毛坯的尺寸精度和表面质量。
3、高硬度:88.0~92.5 HRA,具体视应用要求而定。
我公司生产的硬质合金产品,多种品种规格,欢迎订购!为您全面解决生产难题!
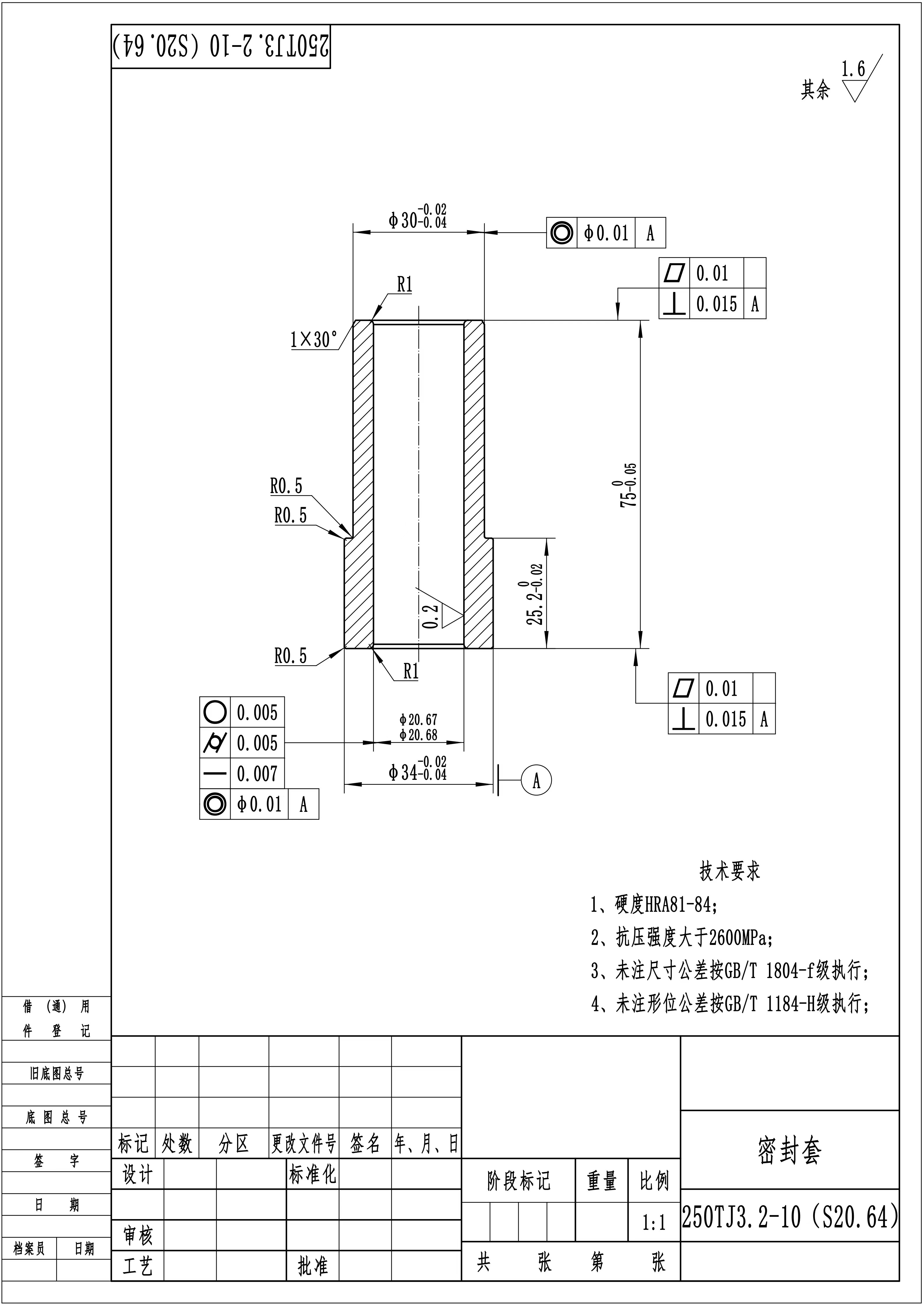
五.参考图纸


六.实拍图展示





